TEKTRON
Home Up Sensors Connectivity Bus Systems Signal Lights Wireless Control Machine Safety Ex-equipment About Us

Contact Us          Quality          Applications          Control Panels          Calibration Service                         email:  sales@tektron.ie               Tel: +353 (0)21 4313331
 

 

Up
DNet Bulk Cable
DNet JBs IP67
DNet JBs IP20
DNet FW Connect
DN CSets M8 1End
DN CSets M8 2End
DN CSets M12 1End
DN CSets M12 2End
DN CSets 7/8 1End
DN CSets 7/8 2End
DN DiagnosticConn
DN Bus Tees
DNet Receptacles
DN Couplers
DN ConduitAdapt
DN Term Resistor

 

 

 

 

 

DeviceNet Diagnostic Connectors

These connectors provide a convenient bus monitoring facility at a bus drop/tee or anywhere else using a straight-through connector. 4 indicating LEDs monitor the voltage on the bus Low Voltage Threshold is 12.4V minimum, "OK" Voltage Range is 12.96V - 24.78V and High Voltage Threshold is 25.3V maximum. Two mounting holes make it easy to position the connectors for proper visibility.

Designed for DeviceNet  -  All connectors are 5-Pole
Other gender and options for keyway position are available to order
Type
(316 Stainless Steel)
Type
(Nickel Plated Brass)
Description Sizes Drawing
MT-RKMV/RSMV/RKMV 57/DNET/VM MT-RKM/RSM/RKM 57/DNET/VM 7/8" Bus Tee (Drop/Branch)
With Diagnostic LEDs
Max Drop 6 metres
7/8" Female,
7/8" Male,
7/8" Female
1
MT-RSMV/2RKMV 57/DNET/VM MT-RSM/2RKM 57/DNET/VM 7/8" Bus Tee (Drop/Branch)
With Diagnostic LEDs
Max Drop 6 metres
7/8" Male,
7/8" Female,
7/8" Female
2
SH-RKMV/RSMV/RKMV 57/VM SH-RKM/RSM/RKM 57/VM 7/8" Bus "H" Tee (Drop/Branch)
with LED Diagnostics
Max Drop 6 metres
7/8" Female,
7/8" Male,
7/8" Female
3
RSMV RSMV 57-0/VM RSM RSM 57-0/VM 7/8" Diagnostic LED
Straight Connector
(joins Female-Female)
7/8" Male,
7/8" Male
4
RSMV RKMV 57-0/VM RSM RKM 57-0/VM 7/8" Diagnostic LED
Straight Connector
(joins Male-Female)
7/8" Male,
7/8" Female
5
RKMV RKMV 57-0/VM RKM RKM 57-0/VM 7/8" Diagnostic LED
Straight Connector
(joins Male-Male)
7/8" Female,
7/8" Female
6

PINOUTS:                    M12 (Eurofast)                                  7/8" (Minifast)                                    

 

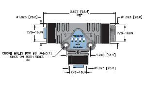
Dimensions Drawings

Inches (millimetres)

      
1: MT-RKMV/RSMV/RKMV 57/DNET/VM                        2: MT-RSMV/2RKMV 57/DNET/VM

 

           
3: SH-RKMV/RSMV/RKMV 57/VM                            4: RSMV RSMV 57-0/VM      

 

          

5: RSMV RKMV 57-0/VM                                           6: RKMV RKMV 57-0/VM