|



| |
M12 I/O Cordsets for
Plug-In Junction Boxes
 |
Plug-In
Junction Boxes offer a
really neat, quick and secure solution for 24V power distribution to
equipment.
Below is a selection
of supply cordsets to use for the junction box input/ouputs |

 |
 |
|
|
|
For JB Type |
Poles |
LED |
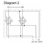
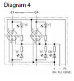
Diagram |
Length |
Ident No |
I/O Cordset Type |
|
|
3+PE |
|
1 |
2 |
6611904 |
TB-4M12-4-2/TXL |
|
3+PE |
|
1 |
5 |
6611905 |
TB-4M12-4-5/TXL |
|
3+PE |
|
1 |
10 |
6611906 |
TB-4M12-4-10/TXL |
|
4+PE |
|
2 |
2 |
6611907 |
TB-4M12-5-2/TXL |
|
4+PE |
|
2 |
5 |
6611908 |
TB-4M12-5-5/TXL |
|
4+PE |
|
2 |
10 |
6611909 |
TB-4M12-5-10/TXL |
|
3+PE |
LED,YE |
3 |
2 |
6611910 |
TB-4M12-4P2-2/TXL |
|
3+PE |
LED,YE |
3 |
5 |
6611911 |
TB-4M12-4P2-5/TXL |
|
3+PE |
LED,YE |
3 |
10 |
6611912 |
TB-4M12-4P2-10/TXL |
|
4+PE |
LED,YE |
4 |
2 |
6611913 |
TB-4M12-5P3-2/TXL |
|
4+PE |
LED,YE |
4 |
5 |
6611914 |
TB-4M12-5P3-5/TXL |
|
4+PE |
LED,YE |
4 |
10 |
6611915 |
TB-4M12-5P3-10/TXL |
|
 |
3+PE |
|
1 |
2 |
6611924 |
TB-6M12-4-2/TXL |
|
3+PE |
|
1 |
5 |
6611925 |
TB-6M12-4-5/TXL |
|
3+PE |
|
1 |
10 |
6611926 |
TB-6M12-4-10/TXL |
|
4+PE |
|
2 |
2 |
6611927 |
TB-6M12-5-2/TXL |
|
4+PE |
|
2 |
5 |
6611928 |
TB-6M12-5-5/TXL |
|
4+PE |
|
2 |
10 |
6611929 |
TB-6M12-5-10/TXL |
|
3+PE |
LED,YE |
3 |
2 |
6611930 |
TB-6M12-4P2-2/TXL |
|
3+PE |
LED,YE |
3 |
5 |
6611931 |
TB-6M12-4P2-5/TXL |
|
3+PE |
LED,YE |
3 |
10 |
6611932 |
TB-6M12-4P2-10/TXL |
|
4+PE |
LED,YE |
4 |
2 |
6611933 |
TB-6M12-5P3-2/TXL |
|
4+PE |
LED,YE |
4 |
5 |
6611934 |
TB-6M12-5P3-5/TXL |
|
4+PE |
LED,YE |
4 |
10 |
6611935 |
TB-6M12-5P3-10/TXL |
|
 |
3+PE |
|
1 |
2 |
6611944 |
TB-8M12-4-2/TXL |
|
3+PE |
|
1 |
5 |
6611945 |
TB-8M12-4-5/TXL |
|
3+PE |
|
1 |
10 |
6611946 |
TB-8M12-4-10/TXL |
|
4+PE |
|
2 |
2 |
6611947 |
TB-8M12-5-2/TXL |
|
4+PE |
|
2 |
5 |
6611948 |
TB-8M12-5-5/TXL |
|
4+PE |
|
2 |
10 |
6611949 |
TB-8M12-5-10/TXL |
|
3+PE |
LED,YE |
3 |
2 |
6611950 |
TB-8M12-4P2-2/TXL |
|
3+PE |
LED,YE |
3 |
5 |
6611951 |
TB-8M12-4P2-5/TXL |
|
3+PE |
LED,YE |
3 |
10 |
6611952 |
TB-8M12-4P2-10/TXL |
|
4+PE |
LED,YE |
4 |
2 |
6611953 |
TB-8M12-5P3-2/TXL |
|
4+PE |
LED,YE |
4 |
5 |
6611954 |
TB-8M12-5P3-5/TXL |
|
4+PE |
LED,YE |
4 |
10 |
6611955 |
TB-8M12-5P3-10/TXL |
Meaning of Type Code


Wiring Diagrams
|