TEKTRON
Home Up Sensors Connectivity Bus Systems Signal Lights Wireless Control Machine Safety Ex-equipment About Us

Contact Us          Quality          Applications          Control Panels          Calibration Service                         email:  sales@tektron.ie               Tel: +353 (0)21 4313331
 

 

Up
Bulk PA Cable
PA JBs IP20
PA JBs IP67
PA FW Conns
PA CSets M12 1End
PA CSets M12 2End
PA CSets 7/8 1End
PA CSets 7/8 2End
PA RecepBulkheads
PA Term Resistor
PA BlankCovers
Encl-IP20JBs
PA Bus Tees
Multibarrier4Ch
Multibarrier8Ch
FldDisplay3Ch
Panel Display
Field Display
IS Panel Display
IS Field Display
Panel Indicator
Field Indicator
IS Panel Indicator
IS Field Indicator

 

 

 

 

 

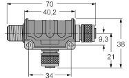
Profibus-PA Bus Tees
 

Profibus PA Bus Tees
Type Ident No External Connector Size Material Drawing Pin Configuration
RSV-2RKV 48 U2385-8 7/8" Stainless Steel  
RSV-FKV-RKV 48 TBC M12 Stainless Steel  
RSCS-2RKCS 48 6602251 M12 Die Cast Zinc  

 

 

Gender Changer

 

RKV RKV 48 TBC 7/8" N/A