TEKTRON
Home Up Sensors Connectivity Bus Systems Signal Lights Wireless Control Machine Safety Ex-equipment About Us

Contact Us          Quality          Applications          Control Panels          Calibration Service                         email:  sales@tektron.ie               Tel: +353 (0)21 4313331
 

 

Up
PA Cable
PA IP67 J/Bs
PA IP20 J/Bs
PA Wireable Tees
PA M12 Csets1End
PA M12 Csets2End
PA 7/8"Csets1End
PA 7/8"Csets2End
PA Receptacles
PA Term Resist
Entry Closures
PA Bus Tees
PA Surge Suppressors
PA Gender Changers
Encl IP20 JBs

 

 

 

 

 

Profibus-PA I/O Junction Boxes IP20   

        

JRBS-40SC-4R/EX                                         JRBS-40SC-4C/EX

 

To facilitate dependable and simple I/O on Profibus PA with up to 12 I/O per J/B, Turck have designed these DIN-Rail mounted junction boxes making I/O connections to the PA trunk line easy and reliable. Made from aluminium and powder paint coated, they have IP20 degree of protection. We can also supply any type enclosure to suit your application.

All feature In and Out at the top for the main PA trunk line with an option for 4, 6, 8, or 12 I/O points. Types are available with or without internal Short Circuit Protection. All are suitable for General Area use and are Intrinsically Safe for Zone 1 hazardous areas.

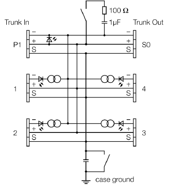
The models with Short Circuit Protection have an adjustable short-circuit limit. The max. current limit is selected for all channels via a rotary switch. The following values can be selected: 30, 35, 45 and 60 mA.

Further choice is available in the connection type you prefer on the junction box. The ...R/EX models have standard screw terminals and the models ...C/EX have cage clamp terminals.

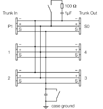
An integrated end-of-line resistor can be activated if required, earth terminals for cables and an earthing bolt for the J/B's frame itself are provided along with a switch if the cable earth is to be connected to the housing earth.

 

Without Short Circuit Protection
Type Ident No I/O Points Terminals
JRBS-40-4C/EX 6611448 4 Cage
JRBS-40-4R/EX 6611456 4 Screw
JRBS-40-6C/EX 6611449 6 Cage
JRBS-40-6R/EX 6611457 6 Screw
JRBS-40-8C/EX 6611450 8 Cage
JRBS-40-8R/EX 6611458 8 Screw
JRBS-40-12C/EX 6611454 12 Cage
JRBS-40-12R/EX 6611462 12 Screw

 

With Short Circuit Protection
Type Ident No I/O Points Terminals
JRBS-40SC-4C/EX 6611451 4 Cage
JRBS-40SC-4R/EX 6611459 4 Screw
JRBS-40SC-6C/EX 6611452 6 Cage
JRBS-40SC-6R/EX 6611460 6 Screw
JRBS-40SC-8C/EX 6611453 8 Cage
JRBS-40SC-8R/EX 6611461 8 Screw
JRBS-40SC-12C/EX 6611455 12 Cage
JRBS-40SC-12R/EX 6611463 12 Screw

 

 

JBRS-40SC-12R/RX

 

Internal Wiring for 4 way Without Short Circuit Protection

 

Internal Wiring for 4 way With Short Circuit Protection

 

Product Dimensions

 

JRBS-40-4R/EX                                                       JRBS-40-6R/EX

         

 

 

JRBS-40-8R/EX                                                       JRBS-40-12R/EX