TEKTRON
Home Up Sensors Connectivity Bus Systems Signal Lights Wireless Control Machine Safety Ex-equipment About Us

Contact Us          Quality          Applications          Control Panels          Calibration Service                         email:  sales@tektron.ie               Tel: +353 (0)21 4313331
 

 

Up
M8 Cordsets
M8 Extensions
M12 Cordsets
M12 Extensions
Ethernet Cordsets
Y Splitters
Plug In J/Bs
M8 FW Conn
M12 FW Conn
7/8" FW Conn
Ether FW Conn
Wiring Diag
Sensor Dimensions

 

 

 

 

 

Y Splitters

 

 

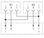
Type Ident No Type No of Pins Drawing LED Rated Voltage
YB2-FSM4.4-2PKG3M-P7X3 6930546 M8 Male/2 x M8 Female 4/3/3 1 1 Green 2 Yellow 30V
YP2-MFS4-2MFK3 6930553 M8 Male/2 x M8 Female 4/3/3 2 No 30V
YB2-FSM5-2FKM5.4 6930492 M8 Male/2 x M12 Female 5/4/4 3 No 30V
YB2-FSM4.4-2PKG3M 6930549 M12 Male/2 x M8 Female 4/3/3 4 No 30V
VB2-FSM4.4-2MFK3 6930559 M12 Male/2 x M8 Female 4/3/3 5 No 60V
VB2-FSM4.4-2FKM4 6930560 M12 Male/2 x M12 Female 4/3/3 6 No 250V
VB2-FSM5-2FKM4.4 6930562 M12 Male/2 x M12 Female 5/4/4 7 No 60V
YB2-FSM5-2FKM5.4-P7X3 6930547 M12 Male/2 x M12 Female 5/4/4 8 Yes 30V
YB2-FSM5-2FKM5.4/S1063 6930551 M12 Male/2 x M12 Female 5/4/4 9 No 30V
VB2-FSM5-2FKM4.4/S2087* 6930563 M12 Male/2 x M12 Female 5/4/4 10 No 60V
VB2-FKM4.4-2FSM4 6930561 M12 Female/2 x M8 Male 4/3/3 11 No 250V
VB2-PX3-FSM4.4-2FKM4 6930567 M12 Female/2 x M12 Male 4/3/3 12 1 Green 2 Yellow 24V
             
*Oval Borehole            

Note: T shape, h shape and splitters with cables/plugs/sockets also available

 

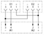
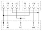
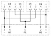
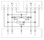
Wiring Drawings

1 2 3 4
5 6 7 8
9 10 11 12