
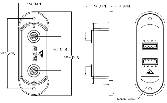
BPA-25-M113 ASi Wall Plate Adapter |
These ASi Wall Plate Adapters are
designed for use with U.S. single gang wall outlet boxes. However we
provide varying designs of suitable stainless steel mounting boxes
or wall plates to suit your requirements. These outlets provide a
useful quick disconnect industrial outlet arrangement. A gasket is
provided with the adapter. The IP67 rating is dependent on the
outlets being used with the appropriate connector or blanking cover.
Connector is female, 7/8" in size and stainless steel.
Type: BPA-25-M113

|