TEKTRON
Home Up Sensors Connectivity Bus Systems Signal Lights Wireless Control Machine Safety Ex-equipment About Us

Contact Us          Quality          Applications          Control Panels          Calibration Service                         email:  sales@tektron.ie               Tel: +353 (0)21 4313331
 

 

Up
ASi Bulk Cable
ASi JBs IP67/65
ASi JBs IP20
ASi FW Connectors
ASi CSets M12 1end
ASi CSets M12 2end
ASi CSets 7/8 1end
ASI CSets 7/8 2end
ASi Recept/Bulkheads
ASi Tees Elbows
ASi Conduit Adaptor
ASi Flat Cable Adapter

 

 

 

 

 

ASi JBs IP67 & IP65 - I/O Blocks

These Junction Boxes, or I/O blocks as they are also known, enable flexible connection of multiple I/O to an ASi Bus in the field or on a machine without the need for an enclosure.

These units are ideal in harsh applications such as mobile equipment, automotive, food and beverage and offer quick and secure plug-in connections.

Type No of Inputs No of Outputs Input Output Rating Degree of Protection Drawing
FAS4-CSG43-A 4 3 pnp 700 mA IP67 1
FAS4-CSG44 4 4 pnp 400 mA IP67 1
FAS4-CSG44-A 4 4 pnp 700 mA IP67 1
FAS4-S0003G-A 0 3 pnp 700 mA IP67 1
FAS4-S0400 4 0 pnp N/A IP67 1
FAS8-S0404G-A 4 4 pnp 700 mA IP67 2
FAS8-S0404H-A 4 4 pnp 2A High Power IP67 2
ASI-AI-4-M12 BW1359 4 0 4-20mA N/A IP65 3
ASI-AI-4-M12 BW1360 4 0 0-10V N/A IP65 3
ASI-AI-4PT100-M12 BW2532 4 0 RTD N/A IP65 3
ASI-AO-4-M12 BW1361 0 4 N/A 0-20mA IP65 3
ASI-AO-4-M12 BW1362 0 4 N/A 0-10V IP65 3
ASI-AI-02-M12-V3 BW1893 2 0 4-20mA N/A IP65 4
ASI-AI-02-M12-V3 BW1993 2 0 0-10V N/A IP65 4
ASI-AI-02RTD-M12-V3 BW1895 2 0 RTD N/A IP65 4

 

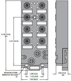
Dimensions Drawings

Inches (millimetres)

 

1: FAS4 Models                                               2: FAS8 Models

        

3:  ASI-AO-4 & ASI-AO-4 Models                                      4:  ASI-AI-02 Models