TEKTRON
Home Up Sensors Connectivity Bus Systems Signal Lights Wireless Control Machine Safety Ex-equipment About Us

Contact Us          Quality          Applications          Control Panels          Calibration Service                         email:  sales@tektron.ie               Tel: +353 (0)21 4313331
 

 

Up
WD043
WD044
WD045
WD046
WD047
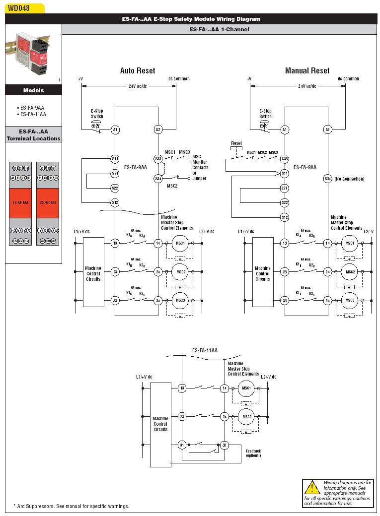
WD048
WD049
WD050
WD051
WD052
WD053
WD054

 

 

 

 

 

Safety Monitors

Wiring Diagrams for Emergency Stop & Machine Guard Safety Relays