TEKTRON
Contact Us Quality Applications Control Panels Calibration Service email: sales@tektron.ie Tel: +353 (0)21 4313331
Safety Monitors
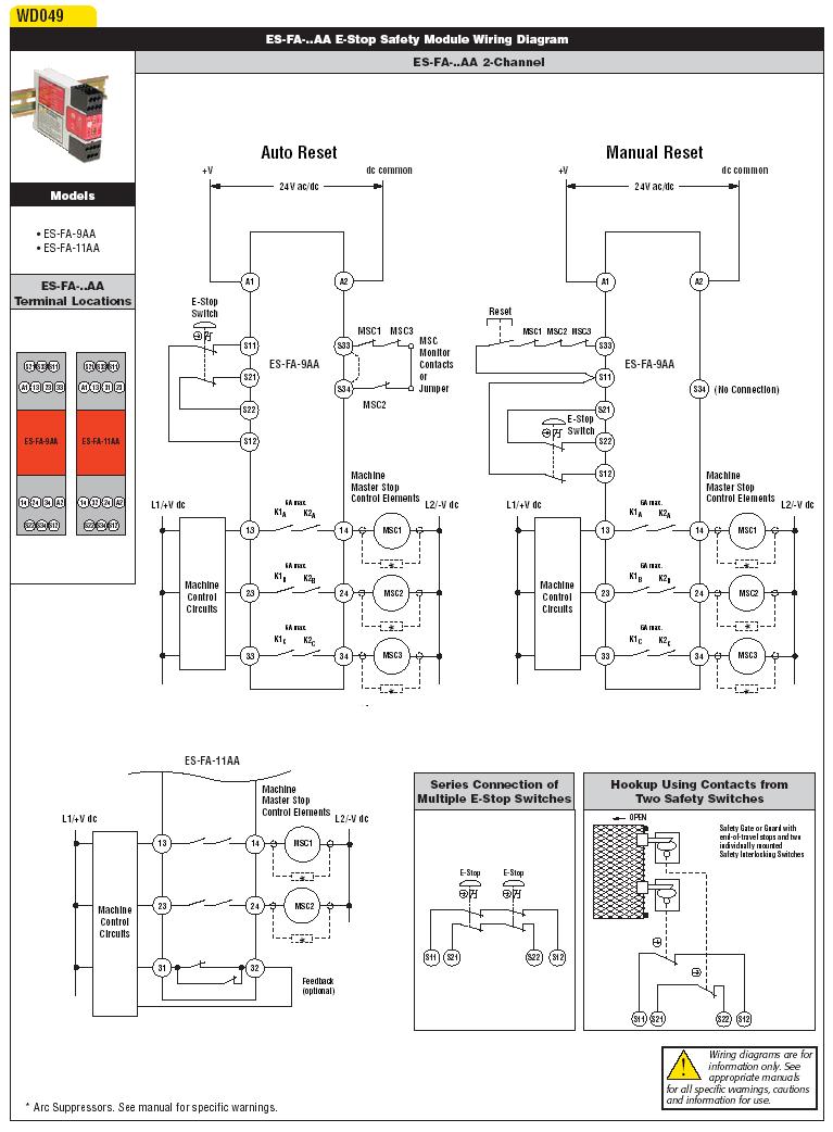
Wiring Diagrams for Emergency Stop & Machine Guard Safety Relays